
Best 2sa1943 Transistor Ideas And Get Free Shipping 531k67di

Possible Fake Toshiba Sanken Transistors Diyaudio

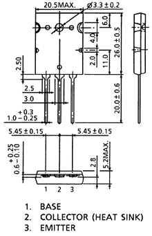
2sc5200 Transistor Pinout Datasheet Equivalents Features


How To Test A Transistor With A Multimeter Pnp Or Npn Mf 63

2n4922 Motorola Npn Silicon Transistor Si Nos
343 20318 0 Mje350

C5200 Datasheet Vceo 230v Npn Transistor Toshiba

150 Watt Amplifier Circuit

C5200 Datasheet Pdf Stmicroelectronics

400 Watt 70 Volt Amplifier Schematic Pcb Layout Design

2sc2705 Npn Transistor Complementary Pnp Replacement

2sc5200 2sa1943 Transistor Replacement

2sc5200 Transistor Pinout Datasheet Equivalents Features


2sc5200 Datasheet Equivalent Cross Reference Search
Comments
Post a Comment