Skip to main content

Braking Resistor Wiring

Mount dynamic braking resistor within 15 feet 45m of the drive. The peak braking current is determined by the specified resistance value.

Digitax Hd Compact Brake Resistor Installation Control Techniques Nidec

Digitax Hd Compact Brake Resistor Installation Control Techniques Nidec

Maslin Aluminum Shell Resistor Trapezoidal Resistor For

Maslin Aluminum Shell Resistor Trapezoidal Resistor For

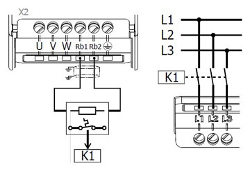
Vc680 Cnc Spindle Variable Frequency Drive Wiring Drawing

Vc680 Cnc Spindle Variable Frequency Drive Wiring Drawing

The materials near the braking resistor must be non flammable.


Vc680 Cnc Spindle Variable Frequency Drive Wiring Drawing

Braking resistor wiring. More wiring terminal information can be seen. The dynamic braking resistor is connected across the dc bus and will see voltages as high as 800 volts. Case resistors feature a nickel chromium wire helically wound placed inside a ceramic fixture and inserted into a.

The powerohm team is committed to providing the highest value highest quality products at attractive prices. Braking resistor gs2 braking resistor connection. Wiring gage and distance must comply with the connections.

If your braking resistor contains an optional factory wired terminal block then you may connect to the unit with standard 90oc rated wire. Resistor installation and wiring. For todays demanding industries.

The lower the ohmic value of a resistor the faster it can stop the motor and the more heat it generates. Connect the resistor terminals r1 and r2 and the thermal overload switch terminals t1 and. It is important to correctly size a braking resistor.

All resistors must be installed outside the drive module in a place where they can be cooled sufficiently do not block the airflow to other equipment or dissipate hot air into the air inlets of other equipment. The chopper is the dynamic braking circuitry that senses rising dc bus voltage and shunts the excess energy to the dynamic brake resistor. Powerohms type cr resistors are manufactured with quality components for superior performance and increased life expectancy.

Dynamic braking will not provide a holding brake function and is only effective when the motor is rotating. The drive manufacturer normally determines the power rating watts needed to prevent overheating during braking duty. The resistor dissipates regenerated power to keep the bus voltage from exceeding the rated limit of the drive.

1370 dynamic braking resistors catalog numbers 1370 dynamic braking is an optional control function which facilitates motor stopping under fault conditions or in response to a coastdb stop. To compensate this the resistor must be bigger or use a heat sink. Refer to user dynamic braking user manual gs dbump for durapulse resistor connection information.

Connect the grounding lug terminal of both the drive and dynamic braking resistor to ground. Make connections with twisted pair wire.

Ocr21ai4 Fchw 2 Heat Wire Oxidized Shining Colour

Ocr21ai4 Fchw 2 Heat Wire Oxidized Shining Colour

How To Connect And Configure The Sinamics V90 Motor Brake

How To Connect And Configure The Sinamics V90 Motor Brake

High Current Wirewound Inverter Braking Resistor Buy Inverter Braking Resistor High Current Resistors Wirewound Resistor Product On Alibaba Com

High Current Wirewound Inverter Braking Resistor Buy Inverter Braking Resistor High Current Resistors Wirewound Resistor Product On Alibaba Com

When And Why To Use Dynamic Braking Resistor In Vfd

When And Why To Use Dynamic Braking Resistor In Vfd

Practical Machinist Largest Manufacturing Technology Forum

Practical Machinist Largest Manufacturing Technology Forum

Motor And Shunt Braking Resistor Triton

Motor And Shunt Braking Resistor Triton

Motor And Shunt Braking Resistor Triton

Motor And Shunt Braking Resistor Triton

Connecting Variable Frequency Drive To Motor

Connecting Variable Frequency Drive To Motor

1000 Series Powerohm P14466 Type Braking Resistors And

1000 Series Powerohm P14466 Type Braking Resistors And

Braking Resistor Wiring Mp4 Hd Video Wapwon

Braking Resistor Wiring Mp4 Hd Video Wapwon

Vfd Wiring Home Model Engine Machinist

Vfd Wiring Home Model Engine Machinist

Wiring Warning S Only Com

Wiring Warning S Only Com

Comments

Popular posts from this blog

100uf Capacitor Definition

Electrolytic Capacitor Pinout Description Datasheet Capacitor Wikipedia Electrolytic Decoupling Capacitors 100uf 25v Rvt Smd Aluminum Electrolytic Capacitor 100uf6 3v Low Esr Capacitors For Beginners In Electronics Cbb60 Capacitor 250vac 250v Ac 100uf 100 Uf Mfd Ul Listed W Fixing Stud Ebay 100uf 16v Capacitors Lot Of 10 Industrial Capacitors 4 Pcs Of 16v 100uf Sanyo Sh Aluminum Solid Capacitor Jensen 100uf 500v Screw Terminals For Audio Electrolytic Capacitor 10pcs 100uf 50v 105 C Radial Electrolytic Amazon Com Fidgetfidget Rubycon Ce W Vintage Classic Audio Nichicon Muse Kz Capacitors 10uf 47u 100uf 470uf 1000u 25v ...

Ac Motor Start Capacitor

It varies but a start capacitor will measure between 70 and 120 micro farads. Start run capacitors a variation of the starter capacitor scheme uses two capacitors. Abs Series 100mfd 250v Ac Motor Starting Capacitor Gray 161 193 Mfd 220 250v Round Motor Start Capacitor Elkon Ac Motor Start Capacitor 280 333mfd Buy Ac Motor Start Capacitor Ac Motor Start Capacitor 280 333mfd Elkon Ac Motor Start Capacitor 280 333mfd How does start capacitor help start motor permanent split capacitor motors or psc motors use run capacitors to help the motor be more efficient while running. Ac motor start capacitor . We know about the activity of a capacitor in a pure ac. A start capacitor is found in the circuit of start windings when the motor is starting. 49 out of 5 stars 22. The run capacitor helps the motor run more efficiently. A large one to start the moto...

Capacitors In Parallel Vs Series

Series Parallel Capacitors Video Lesson Transcript 8 3 Capacitors In Series And In Parallel Physics Libretexts Working Of Capacitors In Series And Parallel Circuits Capacitors In Parallel Formula Details Electronics Notes Capacitors In Series And In Parallel How To Calculate Capacitors In Series And Parallel Kitronik Capacitors 5 Of 11 In Combination Parallel And Series Capacitors Capacitors Determine Equivalent Esr Ripple Voltage And Currents For Capacitors In Parallel And Parallel Capacitor Circuits Capacitors 3 Of 11 Parallel Capacitors Voltage Charge Capacitance Capacitors 1 Of 11 Series Vs Parallel Circuits ...